服務熱線:15195518515微 信:15195518515
郵箱號碼:1464856260@qq.com
網 址:http://www.0511tao.com
地 址:淮安市金湖縣理士大道61號
溫度變送器儀表概述
溫度變送器采用熱電偶、熱電阻作為測溫元件,從測溫元件輸出信號送到變送器模塊,經過穩壓濾波、運算放大、非線性校正、V/I轉換、恒流及反向保護等電路處理后,轉換成與溫度成線性關系的4~20mA電流信號0-5V/0-10V電壓信號,RS485數字信號輸出。
溫度變送器測量原理
溫度變送器是熱電偶或熱電阻傳感器將被測溫度轉換成電信號,再將該信號送入變送器的輸入網絡,該網絡包含調零和熱電偶補償等相關電路。經調零后的信號輸入 到運算放大器進行信號放大,放大的信號一路經V/I轉換器計算處理后以4-20mA直流電流輸出;另一路經A/D轉換器處理后到表頭顯示。變送器的線性化電路有兩種,均采用反饋方式。對熱電阻傳感器,用正反饋方式校正,對熱電偶傳感器,用多段折線逼近法進行校正。有兩種顯示方式。LCD顯示的溫度變送器用兩線制方式輸出,LED顯示的溫度變送器用三線制方式輸出。
溫度變送器適用場合
溫度變送器可直接安裝在熱電偶、熱電阻的接線盒內與之形成一體化結構。它作為新一代測溫儀表可廣泛應用與冶金、石油、化工、電力、輕工、紡織、食品、國防以及科研等工業部門。
溫度變送器性能特點
1、采用硅橡膠或環氧樹脂密封結構,因此耐震、耐濕、適合在惡劣的現場環境安裝使用。
2、現場安裝在熱電偶、熱電阻的接線盒內使用,直接輸出4-20mA、0-10mA的輸出信號。這樣既節約了昂貴的。補償導線費用,又提高了信號遠距離傳輸過程中的抗干擾能力;
3、熱電偶變送器具有冷端溫度自動補償功能;
4、精度高、功耗低,使用環境溫度范圍寬,工作穩定可靠;
5、適用范圍廣、既可以與熱電偶、熱電阻形成一體化現場安裝結構,也可以作為功能模塊安裝在檢測設備中和儀表盤上使用;
6、可通過HART調制解調器與上位機通訊或與手持器和PC機對變送器的型號、分度號、量程。進行遠程信息管理、組態、變量監測、校準和維護功能;
7、可按用戶實際需要調整變送器的顯示方向,并顯示變送器所測的介質溫度、傳感器值的變化、輸出電流和百分比例。
溫度變送器技術指標
溫度變送器產品選型
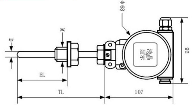
溫度變送器外形尺寸
溫度變送器接線
溫度變送器多種連接方式
溫度變送器校驗方法
1、設備要求:數字電壓表一臺;
2、按系統連接方法接線;
3、根據變送器銘*上標明的傳感器和量程范圍,輸入相應的阻值,使輸出為1V和5V(可分別調整零點電位器和滿度電位器);
4、按量程十等分點輸入各電阻值,檢查各溫度輸出是否符合精度范圍;
5、按說明書技術指標進行測試,應符合技術要求。
溫度變送器注意事項
1、用于爆炸危險場所時,請注意防爆標志與防護等級;
2、安裝的環境必須是在-20-+70℃內,當周圍環境溫度太高時,SBWZ/R信號轉換器和顯示模塊可以與熱電阻或熱電偶分離安裝。我廠配有分離安裝變送器的專用防爆盒。
3、加電前,請仔細檢查電源的正負*性,不能接錯,否則可能造成不可知的后果。
4、SBW信號轉換器模塊用環氧樹脂灌封固化,以加強其防震性能,并防濕、防腐、防潮。
5、溫度變送器使用六個月后需進行校驗。







