服務熱線:15195518515微 信:15195518515
郵箱號碼:1464856260@qq.com
網 址:http://www.0511tao.com
地 址:淮安市金湖縣理士大道61號
污泥流量計地線怎么接
發布時間:2021-08-10 01:28:30??點擊次數:1308次
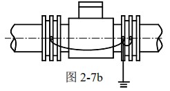
污泥流量計接地要求
污泥流量計的接地是非常重要的,若接地不好,無法正常運行,傳感器部分應有良好的單獨接地線(銅芯截面積為 1.6mm2),接地電阻<10Ω 。
1.接地環
若與傳感器連接的管道是絕緣性的,則需用接地環,應選擇其材質和電*的材質一樣,若被測介質是磨損性的,應選擇帶頸接地環。

2.接地方式
污泥流量計在金屬管道上的安裝,金屬管道內壁沒有絕緣涂層。

污泥流量計在塑料或內壁有絕緣涂料、油漆、內補等管道上安裝時,應在傳感器的兩端安裝接地環。

污泥流量計在陰*保護管道上安裝,防護電解腐蝕的管道一般在其壁和外壁是絕緣的,安裝時注意接地環和管道上的法蘭應絕緣。



