服務熱線:15195518515微 信:15195518515
郵箱號碼:1464856260@qq.com
網 址:http://www.0511tao.com
地 址:淮安市金湖縣理士大道61號
污水計量表的接線方法
發布時間:2021-09-29 06:09:58??點擊次數:2261次
污水計量表是一款常用的工業流量測量儀表,它的結構比較簡單,安裝使用方便,測量精度高,穩定性強,應用范圍比較廣泛,所以是非常深受廣大用戶的青睞。有些小伙伴對污水計量表的使用可能不是很熟悉,剛開始可能會對如何準確的接線有些不太清楚。一般產品使用說明書上會有對如何接線的詳細介紹,使用時嚴格按照使用要求與指導來做就可以了。
產品中會附帶使用說明書或其它安裝使用指導的資料,可以有效地幫助用戶快速準確的熟悉產品和使用產品。一般污水計量表實物接線圖中會清晰的標注每個接線端子是如何接的,污水計量表的接線端子一般會含有電源線(220VAC/24VDC)、信號輸出(4-20mA/RS485/脈沖/HART)、流量上下限報警輸出或帶有特殊定制驅動繼電器輸出等。實際接線根據要求來定。
z75z75z75
1 數字通訊接口及接線
RS-232C 接口:按 IEEE RS-232C 接口標準設計,標配為非電氣隔離方式,可選光電隔離型接口。可支持 MODBUS 協議 RTU 格式。
RS-485 接口:按 IEEE RS-485 接口標準設計,標配為非電氣隔離方式,可選光電隔離型接口。可支持 MODBUS 協議 RTU 格式和 PROFIBUS-DP 通訊方式。
1.1 RS232 接線,如下圖所示:

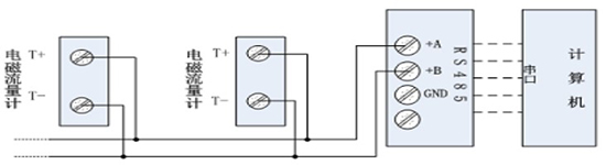
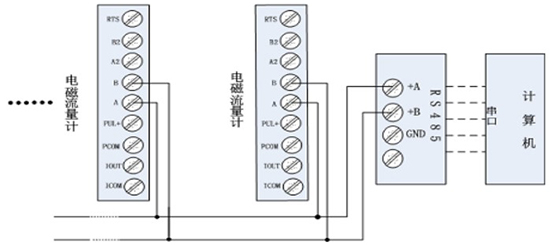
1.2 RS485 接線
1.2.1 非電氣隔離方式接線

一體轉換器接線(非電氣隔離方式)

分體轉換器接線(非電氣隔離方式)
1.2.2 帶光電隔離方式接線(包括 MODBUS 和 PROFIBUS-DP 通訊)

一體轉換器接線(光電隔離方式)

分體轉換器接線(光電隔離方式)
1.3 HART 通訊手操器與電磁流量計的連接
手操器與污水計量表連接如下圖所示:

說明:
1)手操器并聯在污水計量表電流輸出的負載兩端沒有*性;
2)回路中的電阻應大于 200Ω ,小于 500Ω ;
3)手操器不能串入電流回路。
注意:污水計量表用手操器設置參數,通訊地址為非 0 值,波特率為 14400。若儀表通訊方式、地址及波特率設置不正確,手操器將不能設置參數!


