服務熱線:15195518515微 信:15195518515
郵箱號碼:1464856260@qq.com
網 址:http://www.0511tao.com
地 址:淮安市金湖縣理士大道61號
污水流量計量表地線用接嗎
發布時間:2021-09-29 06:45:20??點擊次數:1939次
污水流量計量表接地在實際安裝中的作用。污水流量計量表相比其它流量計產品,精度等級高、性能可靠、工作穩定、抗干擾能力**。但作為一款精密儀器來說,要達到這些高要求,是必須要有嚴格的安裝要求的,本文就為大家來介紹一下往往在安裝時不被重視的污水流量計量表接地線。
*先,我們來了解一下接地線的重要性。為什么需要接地?因為污水流量計量表本身的電位信號就比較小,如果在測量過程中遇到電磁干擾,會嚴重影響到正常的測量信號,導致測量數據失去應有的精確度。而接地可以避免被測介質在管道中沖刷所產生的電勢,避免對測量信號的干擾,讓污水流量計量表工作在*好狀態。
其次,接地的方式也有講究。一來可以通過污水流量計量表接地線來接地,二來可以使用接地環,通過管道接地。具體接地方式請根據實際安裝環境來決定。
一般如果工藝管道是金屬材質的,可不配接地環。如果管道是非金屬的,這就必須要配接地環,接地對于污水流量計量表來說,相當重要。不夸張的說,如果非金屬管道沒有配備接地,那么該污水流量計量表測出來的數值連參考的意義都沒有。
*后,污水流量計量表在設置接地的時候盡量使用屏蔽線來進行單獨接地,不可以圖省事將接地線并至電機、電器等公用地線上。
接地要求
污水流量計量表的接地是非常重要的,若接地不好,無法正常運行,傳感器部分應有良好的單獨接地線(銅芯截面積為 1.6mm2),接地電阻<10Ω 。
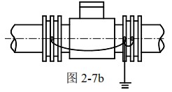
1.接地環
若與傳感器連接的管道是絕緣性的,則需用接地環,應選擇其材質和電*的材質一樣,若被測介質是磨損性的,應選擇帶頸接地環。

2.接地方式
污水流量計量表在金屬管道上的安裝,金屬管道內壁沒有絕緣涂層。

污水流量計量表在塑料或內壁有絕緣涂料、油漆、內補等管道上安裝時,應在傳感器的兩端安裝接地環。

污水流量計量表在陰*保護管道上安裝,防護電解腐蝕的管道一般在其壁和外壁是絕緣的,安裝時注意接地環和管道上的法蘭應絕緣。



