服務熱線:15195518515微 信:15195518515
郵箱號碼:1464856260@qq.com
網 址:http://www.0511tao.com
地 址:淮安市金湖縣理士大道61號

智能水流量計
- 品*:JKM/凱銘儀表
- 型號:JKM-LDE
- 測量范圍:0.028~205258m3/h
- 精度等級:0.5級、1.0級
- 公稱通徑:DN10~DN2200
- 適用介質:污水、導電液體
- 工作壓力:1.6~6.3MPa
- 工作溫度:-20~+200℃
- 供電方式:220V 24V 鋰電池
- 訂貨號:NML222114CDC
電磁流量計產品種類及適用范圍
電磁流量計由電磁流量傳感器和電磁流量轉換器兩大部分組成,主要分為兩大類:一體型和分離型。
電磁流量計是基于法拉*電磁感應定律原理的流量儀表,用于測量封閉管道中導電液體和漿液的體積流量。它廣泛應用于石油化工、鋼鐵冶金、給水排水、水利灌溉、水處理、環保污水、造紙、醫藥、食品等工農業部門的生產過程的流量測量和控制。

電磁流量計工作原理
流量計測量原理是基于法拉*電磁感應規律。流量計的測量管是一內襯絕緣材料的非導磁合金短管。兩只電*沿管徑方向穿通管壁固定在測量管上。其電*頭于襯里內表面基本齊平。勵磁線圈由雙向方波脈沖勵磁時,將在與測量管軸線垂直的方向上產生一磁通量密度為 B 的工作磁場。此時,如果具有一定電導率的流體流經測量管,將切割磁力線感應出電動勢 E。電動勢 E 正比于磁通量密度 B,測量管內徑 d 與平均流速 V的乘積、電動勢 E(流量信號)由電*檢出并通過電纜送至轉換器。轉換器將流量信號放大處理后,可顯示流體流量,并能輸出脈沖,模擬電流信號,用于流量的測量和控制。

式中:
E---------為電*間的信號電壓(v)
B---------磁通密度(T)
d---------測量管內徑(m)
V--------平均流速(m/s)
K---------常數
由于 K 為常數,勵磁電流是恒流的,故 B 也是常數,則由(1-1)式可知,體積流量 Q 與信號電壓 E 成正比,即流速感應的信號電壓 E 與體積流量 Q 成線性關系。因此,只要測量出 E 就可確定流量 Q,這就是電磁流量計的基本工作原理。
由(1-1)式可知,被測流體介質的溫度、密度、壓力、導電率、液固兩相流體介質的液固成分比等參數不會影響測量結果。至于流動狀態只要符合軸對稱流動(如層流或紊流)就不會影響測量結果的。因此說電磁流量計是一種真正的體積流量計。

智能水流量計性能特點
1、流量的測量不受流體的密度、粘度、溫度、壓力和電導率變化的影響,傳感器感應電壓信號與平均流速呈線性關系,因此測量精度高。
2、測量管道內無阻流件,因此沒有附加的壓力損失;
3、測量管道內無可動部件,因此傳感器壽命*長。
4、由于感應電壓信號是在整個充滿磁場的空間中形成的,是管道載面上的平均值,因此傳感器所需的直管段較短,長度為5倍的管道直徑。
5、傳感器部分只有內襯和電*與被測液體接觸,只要合理選擇電*和內襯材料,即可耐腐蝕和耐磨損。
6、轉換器采用國際單片機和表面貼裝技術,性能可靠,精度高,功耗低,零點穩定,參數設定方便。點擊中文顯示LCD,顯示累積流量、瞬時流量、流速、流量百分比等。
7、雙向測量系統,可測正向流量、反向流量。采用特殊的生產工藝和優質材料,確保產品的性能在長時間內保持穩定。
智能水流量計技術參數
1、公稱通徑(mm):管道式四氟襯里:DN10~DN600;管道式橡膠襯里:DN40~DN1200;(特殊規格可定制)
2、流動方向:正,反,凈流量;
3、量程比:150:1;
4、重復性誤差:測量值的±0.1%;
5、精度等級:管道式:0.5級,1.0級;
6、被測介質溫度:普通橡膠襯里:-20~+60℃;高溫橡膠襯里:-20~+90℃;聚四氟乙稀襯里:-30~+100℃;高溫型四氟襯里:-20~+180℃;
7、額定工作壓力:DN6-DN80:≤1.6MPa;DN100-DN250:≤1.0MPa;DN300-DN1200:≤0.6MPa;(高壓可定制);
8、流速范圍:0.1-15m/s;
9、電導率范圍:被測流體電導率≥5μs/cm;
10、電流輸出:0~10mA:0~1.5kΩ;4~200mA:0~750 kΩ;負載電阻;
11、數字輸出頻率:上限可在1~5000HZ之間;
12、數字輸出方式:輸出頻率內設定帶光電隔離的晶體管集電*開路雙向輸出;
13、集電**大電流:外接電源≤35V導通時集電**大電流為250mA;
14、供電電源:AC220V或DC24V;
15、要求直管段長度:上游≥5DN,下游≥2DN;
16、連接方式:流量計與配管之間均采用法蘭連接;
17、連接尺寸:法蘭連接尺寸應符合GB11988規定;
18、防爆等級:mdIIBT4;
19、防護等級:IP65,特殊訂制*高可達IP68;
20、環境溫度:-25~+60℃;
21、相對溫度:5%~95%;
22、消耗總功率:小于20W;
23、信號輸出:4-20mA(負載0-750Ω),脈沖/頻率,控制電平;
24、供電電源:AC220V,允差15%;或DC24V,紋波≤5%;
25、通訊輸出:RS 485,MODBUS協議,HART協議,Profibus-DP協議;
智能水流量計范圍選擇
智能水流量計內襯材料的選擇
應根據被測介質的腐蝕性磨損性和溫度來選擇內襯材料

智能水流量計電*的選擇
應根據被測流體的腐蝕性來選擇電*的材料,請查有關手冊,對于特殊流體應作腐蝕性試驗

智能水流量計型譜

智能水流量計正確選擇安裝位置
正確地選擇安裝位置和正確安裝流量計都是非常重要的環節,若在安裝環節失誤,輕者影響測量精度,重者會影響流量計的使用壽命,甚至會損壞流量計。選擇安裝位置時應注意以下問題:
1.測量電*的軸線必須近似于水平方向(與水平線夾角一般為 10°以內)

2.測量管道內必須完全充滿液體。
3.流量計的前方*少要有 5×D(D 為流量計內徑)長度的直管段,后方*少要有 2×D(D為流量計內徑)長度的直管段。

4.流體的流動方向和流量計的箭頭方向一致。
5.管道內要有真空會損壞流量計的內襯,需特別注意。
6.在流量計附近應無強電磁場,儀表安裝場所的磁場強度應小于 400A/m(避免安裝在大型電機或變壓器等設備附近)。
7.若測量管道有振動,在流量計的兩邊應有固定的支座。
8.測量不同介質的混合液時,混合點與流量計之間的距離*少要有 30×D(D 為流量計內徑)。
9.為方便今后流量計的清洗和維護,應安裝旁通管道。

10.安裝聚四氟乙烯內襯的流量計時,連接兩法蘭的螺栓應注意均勻擰緊,否則容易壓壞聚四氟乙烯內襯,*好用力矩扳手。
11.儀表應避免強烈振動和過大的溫度變化,同時要防止腐蝕性液體的滴漏對儀表造成損害。
12.如果安裝地點易受陽光曝曬,應當增加遮蔽設施。
13.安裝傳感器時,應保證測量管與工藝管道同軸。對 50mm 及以下公稱通徑的傳感器,其軸線偏離不超過 2mm。DN65~DN150 其軸線偏離不超過 3mm,≥DN200 其軸線偏離不超過 4mm。
14.法蘭之間加裝的法蘭墊圈,應有良好的耐腐蝕性能,該墊圈不得伸入管道內部。
15.緊固儀表螺栓、螺母,其螺紋應完整無損,潤滑良好。應依據法蘭尺寸、力矩大小采用力矩扳手緊固螺栓。
16.在傳感器鄰近管道進行焊接或火焰切割時,要采用隔離措施,防止襯里受熱,且必須確認儀表未通電運行,防止損壞儀表。
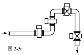
智能水流量計安裝方式
應安裝在水平管道較低處和垂直向上處,避免安裝在管道的*高點和垂直向下處。

應安裝在管道的上升處。

在開口排放的管道安裝,應安裝在管道較低處。若管道落差超過 5m,在傳感器的下游安裝排氣閥且傳感器的下游應有一定的背壓。

應在傳感器的下游安裝控制閥和切斷閥,而不應安裝在傳感器上游。

傳感器絕對不能安裝在泵的進口處,應安裝在泵的出口處。

在測量井內安裝流量計的方式:1.入口 2.溢流管 3. 清洗孔 4.入口柵 5. 短管 6.流量計 7.出口 8.排放閥



