服務熱線:15195518515微 信:15195518515
郵箱號碼:1464856260@qq.com
網 址:http://www.0511tao.com
地 址:淮安市金湖縣理士大道61號

測水流量計
- 品*:JKM/凱銘儀表
- 型號:JKM-LDE
- 測量范圍:0.028~205258m3/h
- 精度等級:0.5級、1.0級
- 公稱通徑:DN10~DN2200
- 適用介質:污水、導電液體
- 工作壓力:1.6~6.3MPa
- 工作溫度:-20~+200℃
- 供電方式:220V 24V 鋰電池
- 訂貨號:IET669611SZR
測水流量計種類及適用范圍
電磁流量計由電磁流量傳感器和電磁流量轉換器兩大部分組成,主要分為兩大類:一體型和分離型。
電磁流量計是基于法拉*電磁感應定律原理的流量儀表,用于測量封閉管道中導電液體和漿液的體積流量。它廣泛應用于石油化工、鋼鐵冶金、給水排水、水利灌溉、水處理、環保污水、造紙、醫藥、食品等工農業部門的生產過程的流量測量和控制。

測水流量計原理
電磁流量計的測量原理是基于法拉*電磁感應定律。流量計的測量管是一內襯絕緣材料的非導磁合金短管。兩只電*沿管徑方向穿通管壁固定在測量管上。其電*頭與襯里內表面基本齊平。勵磁線圈由雙向方波脈沖勵磁時,將在與測量管軸線垂直的方向上產生一磁通量密度為日的工作磁場。
此時,如果具有一定電導率的流體流經測量管。將切割磁力線感應出電動勢E。電動勢E正比于磁通量密度B,測量管內徑d與平均流速v的乘積。電動勢E(流量信號)由電*檢出并通過電纜送至轉換器。轉換器將流量信號放大處理后,可顯示流體流量,并能輸出脈沖,模擬電流等信號,用于流量的控制和調節。
測水流量計的產品特點
1、管道內無可動部件,無阻流部件,測量中幾乎沒有附加壓力損失。
2、測量結果與流速分布,流體壓力,溫度、密度、粘度等物理參數無關。
3、在現場可根據用戶實際需要在線修改量程。
4、高清晰度背光LCD顯示,全中文菜單操作,使用方便,操作簡單,易學易懂。
5、采用SMD器件和表面貼裝(SMT)技術,電路可靠性高。
6、采用16位嵌入式微處理器,運算速度快,精度高,可編程頻率低頻矩形波勵磁,提高了流量測量的穩定性,功耗低。
7、全數字量處理,抗干擾能力強,測量可靠,精度高,流量測量范圍可達150:1。
8、超低EMI開關電源,適用電源電壓變化范圍大,抗EMC性能好。
9、內部具有三個積算器可分別顯示正向累計量反向累計量及差值積算量,內部設有不掉電時鐘,可記錄16次掉電時間。
10、具有RS485、RS232、Hart和Modbus等數字通訊信號輸出。
11、具有自檢與自論功能。
測水流量計執行標準及技術參數
產品執行標準
產品性能符合電磁流量計行業標準 JB/T9248-2008 及 JJG1033-2007 要求。
主要技術指標

測水流量計儀表選型
儀表的選型是儀表應用中非常重要的工作,據有關資料統計,儀表在實際應用中有 2/3 的故障是儀表的錯誤選型和錯誤安裝造成的,請特別注意。具體注意事項如下:
1.被測流體名稱和其化學性能。
2.*大流量、*小流量和常用流量。推薦:常用流量應選擇在 1~3m/s 流速段內,如果不符,請用戶調整所選儀表的口徑規格。
3.*高工作壓力。
4.*高工作溫度、*低工作溫度。
5.被測流體必須具備一定的導電性,導電率≥5μs/cm。
6.*大流量和*小流量必須符合表 2-1 的數據。
7.實際*高工作壓力必須小于流量計的額定工作壓力(見傳感器銘*)。
8.*高工作溫度和*低工作溫度必須符合流量計規定的溫度要求(見傳感器銘*)。
9.確定是否有負壓情況存在。
10.電*和襯里材料的選擇應滿足流體介質的化學性能。

測水流量計公稱通徑與流量范圍

測水流量計分類
為了適應不同工礦條件下使用工業電磁流量計,流量計分為:
1、一體式液晶顯示工業電磁流量計:主要適用于高精度測量,防爆等級高的介質,如石油,化工,污水等行業。
2、管道式(分體式)工業電磁流量計:主要使用于遠離測量地點的,液晶顯示與流量計主體分離式的。
3、電磁流量計:主要使用于超大管道口徑的流體介質測量,精度要求一般。
電磁流量計是根據法拉*電磁感應定律制造的用來測量管內導電介質體積流量的感應式儀表,采用單片機嵌入式技術,實現數字勵磁,同時在流量計上采用CAN現場總線。屬國內*創,技術達到國內**水平。
測水流量計被測流體的電*的選擇
測水流量計被測介質的內襯材料選擇
測水流量計使用注意事項
1、 精度等級和功能根據測量要求和使用場合選擇儀表精度等級,做到經濟合算。比如用于貿易結算、產品交接和能源計量的場合,應該選擇精度等級高些,如1.0級、0.5級,或者更高等級; 用于過程控制的場合,根據控制要求選擇不同精度等級;有些僅僅是檢測一下過程流量,無需做精確控制和計量的場合,可以選擇精度等級稍低的,如1.5級、2.5級,甚至 4.0級,。
2、測量介質流速、儀表量程與口徑 測量一般的介質時,流量計的滿度流量可以在測量介質流速0.5-12m/s范圍內選用,范圍比較寬。選擇儀表規格(口徑)不一定與工藝管道相同,應視測量流量范圍是否在流速范圍內確定,即當管道流速偏低,不能滿足流量儀表要求時或者在此流速下測量準 確度不能保證時,需要縮小儀表口徑,從而提高管內流速,得到滿意測量結果。
3、盡量避開鐵磁性物體及具有強電磁場的設備,以免磁場影響傳感器的工作磁場和流量信號。
4、流量計周圍應有充裕的空間,便于檢測與維修。
測水流量計正確選擇安裝位置
正確地選擇安裝位置和正確安裝流量計都是非常重要的環節,若在安裝環節失誤,輕者影響測量精度,重者會影響流量計的使用壽命,甚至會損壞流量計。選擇安裝位置時應注意以下問題:
1.測量電*的軸線必須近似于水平方向(與水平線夾角一般為 10°以內)

2.測量管道內必須完全充滿液體。
3.流量計的前方*少要有 5×D(D 為流量計內徑)長度的直管段,后方*少要有 2×D(D為流量計內徑)長度的直管段。

4.流體的流動方向和流量計的箭頭方向一致。
5.管道內要有真空會損壞流量計的內襯,需特別注意。
6.在流量計附近應無強電磁場,儀表安裝場所的磁場強度應小于 400A/m(避免安裝在大型電機或變壓器等設備附近)。
7.若測量管道有振動,在流量計的兩邊應有固定的支座。
8.測量不同介質的混合液時,混合點與流量計之間的距離*少要有 30×D(D 為流量計內徑)。
9.為方便今后流量計的清洗和維護,應安裝旁通管道。

10.安裝聚四氟乙烯內襯的流量計時,連接兩法蘭的螺栓應注意均勻擰緊,否則容易壓壞聚四氟乙烯內襯,*好用力矩扳手。
11.儀表應避免強烈振動和過大的溫度變化,同時要防止腐蝕性液體的滴漏對儀表造成損害。
12.如果安裝地點易受陽光曝曬,應當增加遮蔽設施。
13.安裝傳感器時,應保證測量管與工藝管道同軸。對 50mm 及以下公稱通徑的傳感器,其軸線偏離不超過 2mm。DN65~DN150 其軸線偏離不超過 3mm,≥DN200 其軸線偏離不超過 4mm。
14.法蘭之間加裝的法蘭墊圈,應有良好的耐腐蝕性能,該墊圈不得伸入管道內部。
15.緊固儀表螺栓、螺母,其螺紋應完整無損,潤滑良好。應依據法蘭尺寸、力矩大小采用力矩扳手緊固螺栓。
16.在傳感器鄰近管道進行焊接或火焰切割時,要采用隔離措施,防止襯里受熱,且必須確認儀表未通電運行,防止損壞儀表。
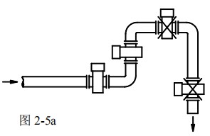
測水流量計安裝方式
應安裝在水平管道較低處和垂直向上處,避免安裝在管道的*高點和垂直向下處。

應安裝在管道的上升處。

在開口排放的管道安裝,應安裝在管道較低處。若管道落差超過 5m,在傳感器的下游安裝排氣閥且傳感器的下游應有一定的背壓。

應在傳感器的下游安裝控制閥和切斷閥,而不應安裝在傳感器上游。

傳感器絕對不能安裝在泵的進口處,應安裝在泵的出口處。

在測量井內安裝流量計的方式:1.入口 2.溢流管 3. 清洗孔 4.入口柵 5. 短管 6.流量計 7.出口 8.排放閥



